MODEL CX80A PRECISION PUNCH FORMER

Short Description:


Product Detail

Product Tags

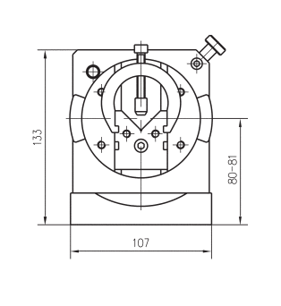
PUNCH FORMER is applicable on surface grinder or universal grinder for grinding round,radius and multi-angle points of punches and for precisely EDM electrode.With its radius dresser arm,it is able to dress wheels to different straight,arc profiles.

MODEL CX80A PRECISION PUNCH FORMER1 MODEL CX80A PRECISION PUNCH FORMER2 MODEL CX80A PRECISION PUNCH FORMER3

Main Technical Data:

 

 

Center height:

80mm

Clamping diameter in V-slot:

4-30mm

Travel of V-block:

25mm

Transversal travel of slide:

±12.5mm

Quantity of tooth:

24

Max wheel diameter:

200mm

Max radius when dressing arc:

Convex:

R50mm

Concave:

R100mm

Outside size:

360×116×145mm

Item No.

575080


  • Previous:
  • Next: